
Entre las posibles soluciones de divisores de caudal que proponemos, la menos conocida es seguramente la versión DIVISOR DE CAUDAL + MOTOR.
Sugerimos esta opción cuando tengas CILINDROS DE SIMPLE ACCIÓN en los que no hay carga en el retorno. En estas condiciones, la presión de arranque necesaria para mover los engranajes no puede ser suministrada por los propios cilindros y, por lo tanto, existe el riesgo de que no retornen.
La presencia de un motor conectado directamente a los elementos del divisor, permite proporcionar la ayuda necesaria para anular la resistencia opuesta en el arranque del divisor (fricción mecánica), permitiendo el retorno de los cilindros.
Para el tamaño del motor, la elección depende de la velocidad con la cual la fase de retorno debe realizarse.
Para mantener la misma velocidad de salida y entrada en los cilindros, es necesario coincidir la cilindrada del motor con la suma de las cilindradas de las secciones del divisor de caudal.
De hecho, durante la fase de salida el caudal suministrado por las bombas pasa a través de las secciones del divisor de caudal y el motor es desviado (aspira y vuelve al depósito), mientras que en la fase de entrada, el caudal alimenta también el motor. Por lo tanto, si la suma de los desplazamientos de las secciones es igual al desplazamiento del motor, la velocidad de entrada es la misma que la de salida.
También proporcionamos soluciones hibridas (por ejemplo, divisor Gr 1 + motor Gr 2), para así ofrecer la mejor solución para cilindradas mayores.
Hay que tener en cuenta que esta solución requiere una presión de arranque más alta, ya que debe también iniciar el motor.
Este aumento de la presión de arranque debe tenerse debidamente en cuenta durante el proyecto del equipo.
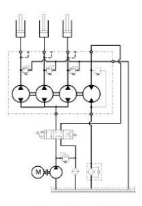
Como ejemplo, a continuación se muestra un esquema de aplicación de un divisor de caudal de 3 secciones, con válvulas de desfase y motor.
